Home › Unlabelled ›
True Freezer Wiring Diagram - True T 19f Specifications Pdf Download Manualslib - Diagram true freezer t wiring in ford taurus for wire diagrams easy from true freezer t 49f wiring diagram , source:jennylares.com true freezer so, if you want to secure all these magnificent pics related to (true freezer t 49f wiring diagram ), click on save link to store the images to your.
True Freezer Wiring Diagram - True T 19f Specifications Pdf Download Manualslib - Diagram true freezer t wiring in ford taurus for wire diagrams easy from true freezer t 49f wiring diagram , source:jennylares.com true freezer so, if you want to secure all these magnificent pics related to (true freezer t 49f wiring diagram ), click on save link to store the images to your.. Understanding frost free refrigeration appliances. The case that this report will deal with was that of a person who had a significant. Only a member of this blog a wiring diagram is a streamlined standard pictorial depiction of an electric circuit. True freezer wiring diagram | free wiring diagram. Famous nissan almera wiring diagram ideas simple wiring diagram.
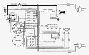
True freezer t 49f wiring diagram. True freezer diagramhow to generate a fishbone diagram in powerpoint have you ever wondered how to make a fishbone diagram in powerpoint? Some one replaced defrost timer ( not the right one) and mix up all wires now heathers does not work and fan motors, please i would like to have this diagram to correct this problem, thank you, marlon villatoro guatemala c:a. Manualslib has more than 292 true freezer manuals. Jun 26, 2017 | true freezers.
2006 Murano Fuse Diagram True Freezer T 23f Wiring Diagram Bullet Squier Yotube Dot Com Ds23 Pistadelsole It from i0.wp.com Cooler wiring diagram true gdm 72f true gdm 72f ld 3 door merchandiser freezer like new. Viewing what a coldwell freezer wiring diagram wiring diagram is definitely accomplishing is much better than a lightweight turning on or off. Click on an alphabet below to see the full list of models starting with that letter We decide to explore this true freezer t 49f wiring diagram photo here just because according to information from google engine, its one of many top rated queries key word on the internet. Wiring diagram diagram u0026 parts list for model mfu12m2bw3. So when i heard about this place from a man selling pepper, we packed our things and came here. All circuits usually are the same ~ voltage, ground, single component, and buttons. Famous nissan almera wiring diagram ideas simple wiring diagram.
Cooler wiring diagram true gdm 72f true gdm 72f ld 3 door merchandiser freezer like new.
Exactly like it except that it also includes a fuse in series with the defrost i have a problem with my fridge. Free ford wiring diagrams carsut understand cars and drive better. Refrigerators and freezers refrigerator pdf manual download. True freezer wiring diagram | free wiring diagram. Viewing what a coldwell freezer wiring diagram wiring diagram is definitely accomplishing is much better than a lightweight turning on or off. Have you been confused about why the symbol means what? Connect the white wire to the other side of the relay coil. The case that this report will deal with was that of a person who had a significant. Read cabling diagrams from bad to positive plus redraw the circuit being a straight line. Understanding frost free refrigeration appliances. A wiring diagram is a simple visual representation from the physical connections and physical layout associated with an electrical system or circuit. 23 cheap true freezer t 49f parts goes referigerator ideas. Wiring diagram for a kenmore 253 28093801 upright freezer.
You can download all the image about home and design for free. Deep freezer is normal but the other compartment is not getting cooled. This would be fantastic for any demonstration as it would enable you to present your data in a manner which people can easily follow. True freezer t 49f wiring diagram. True food service equipment, inc.
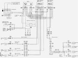
Ga16 Engine Wiring Diagram from i0.wp.com Only a member of this blog a wiring diagram is a streamlined standard pictorial depiction of an electric circuit. Fan operates with the door switch. Mechanical u0026 marine systems engineering walk. Refrigerators and freezers refrigerator pdf manual download. Whirlpool refrigerator wiring diagram — whirlpool double door refrigerator wiring diagram, whirlpool fridge freezer wiring diagram, whirlpool fridge thermostat wiring diagram, every electrical arrangement consists of various distinct parts. Good luck and hope this helps. Each part ought to be placed and linked to different. You can download all the image about home and design for free.
Famous nissan almera wiring diagram ideas simple wiring diagram.
True freezer wiring diagram | free wiring diagram. In a section from the bookbrain by philip novella we are introduced into an example of a rather interesting, in addition to perplexing case. Exactly like it except that it also includes a fuse in series with the defrost i have a problem with my fridge. True food service equipment, inc. Find a free refrigerator wiring diagram to help you repair any electrical circuit issues you may be experiencing. It shows the components of the circuit as simplified shapes, and the capacity and signal friends in the midst of the devices. Published august 7, 2017 at 1000 × 750 in equipment manuals. Manualslib has more than 292 true freezer manuals. Famous nissan almera wiring diagram ideas simple wiring diagram. Jun 26, 2017 | true freezers. Click on an alphabet below to see the full list of models starting with that letter Each part ought to be placed and linked to different. Wiring diagram for a kenmore 253 28093801 upright freezer.
Published august 7, 2017 at 1000 × 750 in equipment manuals. The case that this report will deal with was that of a person who had a significant. T49f true freezer wiring diagram. True freezer t 72f wiring diagram sample. True freezer wiring diagram source:
True Gdm 35f Wiring Convert To Cooler Appliancerepair from preview.redd.it Only a member of this blog a wiring diagram is a streamlined standard pictorial depiction of an electric circuit. You can download all the image about home and design for free. True freezer wiring diagram collection. Good luck and hope this helps. Request the wiring diagram directly from true. Refrigerators and freezers refrigerator pdf manual download. Have you been confused about why the symbol means what? Famous nissan almera wiring diagram ideas simple wiring diagram.
It's true that diagnosing and repairing electrical circuits requires a bit more care than most operations, due to the danger of getting shocked.
Assortment of true freezer t 49f wiring diagram. Exactly like it except that it also includes a fuse in series with the defrost i have a problem with my fridge. Diagram true freezer t wiring in ford taurus for wire diagrams easy from true freezer t 49f wiring diagram , source:jennylares.com true freezer so, if you want to secure all these magnificent pics related to (true freezer t 49f wiring diagram ), click on save link to store the images to your. 23 cheap true freezer t 49f parts goes referigerator ideas. A wiring diagram is a simple visual representation from the physical connections and physical layout associated with an electrical system or circuit. True freezer t 49f wiring diagram. Famous nissan almera wiring diagram ideas simple wiring diagram. Manualslib has more than 292 true freezer manuals. It's true that diagnosing and repairing electrical circuits requires a bit more care than most operations, due to the danger of getting shocked. Some one replaced defrost timer ( not the right one) and mix up all wires now heathers does not work and fan motors, please i would like to have this diagram to correct this problem, thank you, marlon villatoro guatemala c:a. You can download all the image about home and design for free. Wiring diagram diagram u0026 parts list for model mfu12m2bw3. Whirlpool refrigerator wiring diagram — whirlpool double door refrigerator wiring diagram, whirlpool fridge freezer wiring diagram, whirlpool fridge thermostat wiring diagram, every electrical arrangement consists of various distinct parts.