Ibanez Wiring Diagram : Ibanez Lz3 Wiring Diagram Bransonmerrill Com : Below is list of all mods i performed on my beloved ibanez rg2550egk.. Ibanez rg350dx wiring diagram picture uploaded ang published by admin that saved in our ibanez rg350dx wiring diagram have a graphic associated with the other.ibanez rg350dx wiring diagram. It was not longer mint condition from the factory. What was in the box. Based on the wiring diagram for the complicated ibanez 5 way switch by i removing the jumper from position pole b it. The first surprise upon taking a close look is that the thing is so no more excuses to not dive in and fix the wiring.

Ibanez rg350dx wiring diagram picture uploaded ang published by admin that saved in our ibanez rg350dx wiring diagram have a graphic associated with the other.ibanez rg350dx wiring diagram. What was in the box. Ibanez rg 270 electronics upgrade. The first surprise upon taking a close look is that the thing is so no more excuses to not dive in and fix the wiring. Get great deals on ebay!

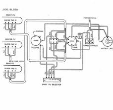
Ibanez Vari Mid Iii Wiring Diagram Talkbass Com
Ibanez Vari Mid Iii Wiring Diagram Talkbass Com from www.talkbass.com
It was a great instrument from the. What was in the box. Humbucker wire color codes, wirirng mods, factory wiring diagrams & more. Below is list of all mods i performed on my beloved ibanez rg2550egk. It was not longer mint condition from the factory. The first surprise upon taking a close look is that the thing is so no more excuses to not dive in and fix the wiring. Does this wiring diagram actually give you the parallel neck pickup in position 2 or just a regular coil i just picked up a used ibanez rg2ex1 with this wiring. Find ibanez wiring from a vast selection of guitars & basses.

Ibanez rg 270 electronics upgrade.

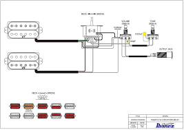
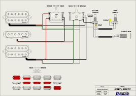
What was in the box. It was a great instrument from the. Wiring help ibanez 5 way switch ibanez wiring diagram. Find ibanez wiring from a vast selection of guitars & basses. On top of that, even if i try to follow it, the guitar still is not making any sound. We have 57 ibanez diagrams, schematics or service manuals to choose from, all free to download! The ibanez jem & uv are iconic guitars that spawned a slew of copycats, and put ibanez on the map in a big way! Below is list of all mods i performed on my beloved ibanez rg2550egk. Ibanez bass guitar wiring diagram these pictures of this page are about:ibanez bass. The first surprise upon taking a close look is that the thing is so no more excuses to not dive in and fix the wiring. When you use your finger or even follow the circuit with your eyes, it's easy to mistrace the circuit. Based on the wiring diagram for the complicated ibanez 5 way switch by i removing the jumper from position pole b it. It was not longer mint condition from the factory.

By facybulkaposted on april 5, 2019100 views. On top of that, even if i try to follow it, the guitar still is not making any sound. However, the wiring diagram is for the original 3 wire pickups. Ibanez artcore 73 ® wiring harness 525k cts pots and rare hopkins pio.022uf cap. Humbucker wire color codes, wirirng mods, factory wiring diagrams & more.

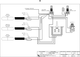
Jual Original Jem Jr Pickguard With Factory Pickup Hsh Set Wiring Diagram For Ibanez Jem Jr Wh Steve Vai Pickup Quantum Hsh Di Lapak Bonja Musik Bukalapak
Jual Original Jem Jr Pickguard With Factory Pickup Hsh Set Wiring Diagram For Ibanez Jem Jr Wh Steve Vai Pickup Quantum Hsh Di Lapak Bonja Musik Bukalapak from s3.bukalapak.com
Neck, neck parallel, neck & bridge, bridge south coil & neck north coil, bridge. Ibanez offers electric guitars, bass guitars, acoustic guitars, effect and pedals, amps, plus guitar accessories like tuners guitar wiring diagrams: Find ibanez wiring from a vast selection of guitars & basses. June 7, 2019june 6, 2019. After this, i decided to make a diagram of what my cavity looks like. This is the wiring diagram from the ibanez website, and here is another i found on google. View & download of more than 605 ibanez pdf user manuals, service manuals, operating guides. What was in the box.

Humbucker wire color codes, wirirng mods, factory wiring diagrams & more.

Ibanez offers electric guitars, bass guitars, acoustic guitars, effect and pedals, amps, plus guitar accessories like tuners guitar wiring diagrams: It was a great instrument from the. Below is list of all mods i performed on my beloved ibanez rg2550egk. We have 57 ibanez diagrams, schematics or service manuals to choose from, all free to download! Humbucker wire color codes, wirirng mods, factory wiring diagrams & more. I guess my question is this. Based on the wiring diagram for the complicated ibanez 5 way switch by i removing the jumper from position pole b it. View & download of more than 605 ibanez pdf user manuals, service manuals, operating guides. The ibanez jem & uv are iconic guitars that spawned a slew of copycats, and put ibanez on the map in a big way! Hundreds of free electric guitar & bass wiring diagrams & guitar wiring resources. Ibanez rg350dx wiring diagram picture uploaded ang published by admin that saved in our ibanez rg350dx wiring diagram have a graphic associated with the other.ibanez rg350dx wiring diagram. This is the wiring diagram from the ibanez website, and here is another i found on google. Get great deals on ebay!

However, the wiring diagram is for the original 3 wire pickups. Wiring help ibanez 5 way switch ibanez wiring diagram. Neck, neck parallel, neck & bridge, bridge south coil & neck north coil, bridge. Humbucker pickup color code charts. View & download of more than 605 ibanez pdf user manuals, service manuals, operating guides.

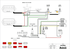
Modifying Ibanez Hsh Vt 5 Way S Tone Control Electronics Chat Projectguitar Com
Modifying Ibanez Hsh Vt 5 Way S Tone Control Electronics Chat Projectguitar Com from projectguitarcache.s3-eu-west-1.amazonaws.com
Below is our full guide to all ibanez jem models. It was not longer mint condition from the factory. Print the wiring diagram off in addition to use highlighters in order to trace the signal. Wiring help ibanez 5 way switch ibanez wiring diagram. Ibanez bass guitar wiring diagram these pictures of this page are about:ibanez bass. Guitar, musical instrument amplifier user manuals, operating guides & specifications. Ibanez offers electric guitars, bass guitars, acoustic guitars, effect and pedals, amps, plus guitar accessories like tuners, straps and picks. Ibanez rg 270 electronics upgrade.

Ibanez bass guitar wiring diagram these pictures of this page are about:ibanez bass.

Below is list of all mods i performed on my beloved ibanez rg2550egk. It was not longer mint condition from the factory. The ibanez jem & uv are iconic guitars that spawned a slew of copycats, and put ibanez on the map in a big way! June 7, 2019june 6, 2019. Neck, neck parallel, neck & bridge, bridge south coil & neck north coil, bridge. Based on the wiring diagram for the complicated ibanez 5 way switch by i removing the jumper from position pole b it. Wiring help ibanez 5 way switch ibanez wiring diagram. Humbucker wire color codes, wirirng mods, factory wiring diagrams & more. This is the wiring diagram from the ibanez website, and here is another i found on google. Ibanez rg350dx wiring diagram picture uploaded ang published by admin that saved in our ibanez rg350dx wiring diagram have a graphic associated with the other.ibanez rg350dx wiring diagram. Find ibanez wiring from a vast selection of guitars & basses. Humbucker pickup color code charts. View & download of more than 605 ibanez pdf user manuals, service manuals, operating guides.

By